
Ecco ragazzi il mio personalissimo articolo dove metto parte delle centinaia di foto trovate! spero che vi possa piacere! in fondo troverete pure le foto comiche
ora ecco alcuni scatti! preciso che sono tutte foto trovate on line e mi paiceva condividerle con voi!.
Ora senza ulteriori indugi ecco il nostro Mig-21
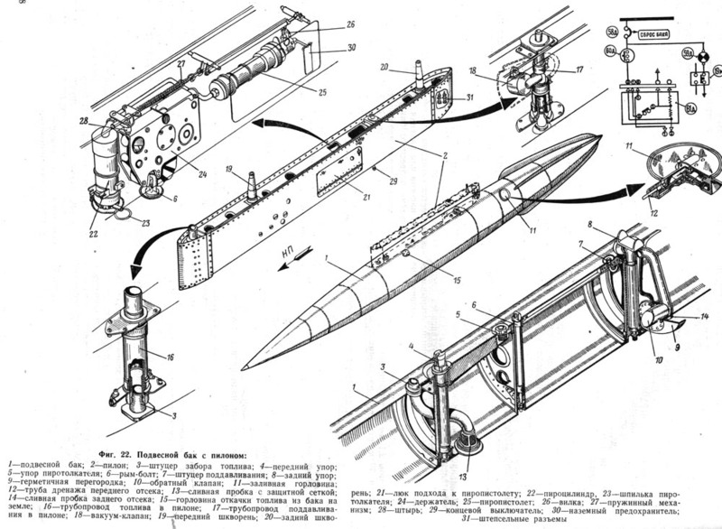
Iniziamo con dei disegni per capire meglio i dettagli









Passiamo ai dettagli




























Passiamo quindi agli aerei finiti e alle dediche!




Un tempo acerrimi rivali, ora sono vicini nella pace e calma più totale

Schema di colore uniforme??? per paicere



Nel totale egoismo questa la dedico a me! indoviante perchè?

























la foto del fallimento




Un parcheggio Estivo







è sempre d'effetto vederli assieme

Questa la dedico a Max! e sai il motivo XD

Quesa è per tutti gli amanti della mimetica "invecchiata"







Ecco le foto per il buon Erry, spero ti servano




Passiamo alla parte più triste.. i rottami!









L'unico Mig-21 che non vorrei mai vedere ridotto così

E ora dopo esserci rattritati un poco! Passiamo alle foto comiche!!!
Certi dicono che il Mig-21 faccia ca...re, ecco sono accontentati

Federal standard??? e che sono?

Meccanico: Alfreeeeedddd ricordati il Postshard!
Alfrred: Siiiiiiiii! basta che la smetti!, scassacastagne!

La nuova tuta anti-g !

Josè: Torre di controllo richiedo permesso per andare in spiaggia!
Torre di controllo: negativo volo 12-34 stai nella tua rotta prefissata!
Josè: non sento bene torre di controllo ho dei .... alla radio "stacca radio"
Josè: Barista un bahama mama passo a prenderlo al volo!
Barista: ma che caz....

Il trenino dell'amore!

Permesso!!!!!!!!!!!!!!!!!!!!!!!!!!!!!!!

Quanti punti prendo se getto un 21 giù dal piedistallo?

A grande richiesta il nostro amico IVAN

Signora:Alla carica cavallinoooooooooo!

Un mig-21 in veste da Discotecaro!

Meccanico: Ok! hai fatto un buon lavoro con l'invecchiamento ma non ti pare di aver esagerato con l'"effetto sabbia"
Alfred:no, per nulla? perchè non ti piace?

E ora le foto dedicate ai nostri carissimi Paolo e Aurelio!




Meccanico: Hei ragazzi la gnoccolona bionda di prima si è dimenticata la borsetta sul sedile chi va a prenderla?
Banda di piloti straesaltati: iooooo ci vado ioooo, lasciami passare!!!

TUTTE le immagini sono inserite a solo scopo di discussione dai siti Mycity.com e airlainers.net
Questo capitolo si chiude qui, se volete altri muneri chiedete pure che vedo di raccogliere il più possibile! spero di aver fatto una cosa gradita e a presto
ditemi che ve ne pare!













































